Запасные части ЧТЗ Запасные части ЧТЗ
Архангельск
Например:
Актобе
Алдан
или
Выбрать автоматически
Актобе
Алдан
Алматы
Алчевск
Архангельск
Астана
Астрахань
Атырау
Баку
Балашиха
Барнаул
Белгород
Бердянск
Бишкек
Владивосток
Владикавказ
Воркута
Воронеж
Горловка
Грозный
Донецк
Екатеринбург
Иваново
Ижевск
Иркутск
Казань
Калининград
Каменск-Уральский
Караганда
Каховка
Кемерово
Киров
Комсомольск-на-Амуре
Костанай
Краснодар
Красноярск
Красный луч
Ленск
Луганск
Магадан
Магнитогорск
Макеевка
Махачкала
Мелитополь
Минск
Мирный (Якутия)
Москва
Мурманск
Нерюнгри
Нижневартовск
Нижний Новгород
Нижний Тагил
Новая каховка
Новокузнецк
Новосибирск
Новый Уренгой
Норильск
Ноябрьск
Нур-Султан
Омск
Оренбург
Ош
Павлодар
Пермь
Петрозаводск
Петропавловск
Петропавловск-Камчатский
Псков
Ростов-на-Дону
Салехард
Самара
Санкт-Петербург
Саратов
Севастополь
Семей
Симферополь
Сочи
Ставрополь
Сургут
Сыктывкар
Тараз
Ташкент
Токмак
Томск
Тында
Тюмень
Ульяновск
Усинск
Усть-Каменогорск
Уфа
Хабаровск
Ханты-Мансийск
Херсон
Челябинск
Чита
Шымкент
Экибастуз
Энергодар
Южно-Сахалинск
Якутск
Ваш город
Архангельск
Войти
Запасные части к тракторам на одном сайте
+7 (932) 303-00-10
+7 (932) 303-00-10
г. Архангельск, Талажское шоссе, д. 4
Пн-Пт: 9:30-18:30 Cб-Вс: Выходной
Отправить заявку


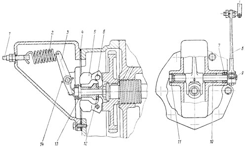
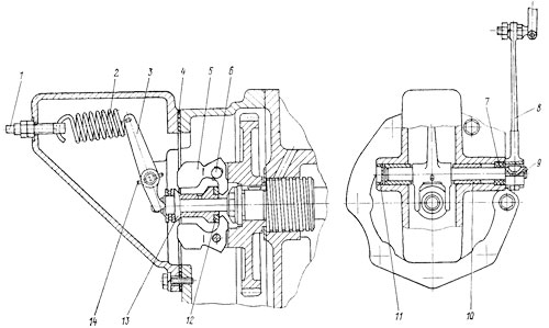
Регулятор П-23У трактора в Архангельске


/
с НДС 20%
Описание

Снятие и разборка регулятора Т-170

Снятие регулятора

Отсоедините тягу 4 (рис. 103) карбюратора от рычага 3 регулятора.

Установка регулятора

Рис. 103. Установка регулятора

Отверните семь болтов крепления корпуса регулятора к корпусу распределительных шестерен и снимите регулятор 1. Снимите втулку 13 (рис. 104) регулятора с хвостовика распределительного валика.

Регулятор

Рис. 104. Регулятор

Расшплинтуйте и выньте оси 6, снимите грузики.

Разборка регулятора

Выверните стяжной болт крепления отводного рычага 8 регулятора и спрессуйте рычаг с оси 9. Выньте из отверстия корпуса регулятора шайбу и войлочный сальник 7. Снимите пружину 2 и выньте натяжной винт 1 из корпуса регулятора. Не свинчивайте гайки с натяжного винта, это сохранит регулировку частоты вращения вала двигателя после сборки. Выбейте конический штифт 14 из нажимного рычага 3. Удалите ось 9 из втулок корпуса и выньте нажимной рычаг. При необходимости выпрессуйте втулки 10 с заглушкой 11 из корпуса.

Технические требования на регулятор

  1. Натяг между поверхностью отверстия корпуса регулятора и втулками равен 0,01... 0,08 мм, допустимый натяг не менее 0,005 мм.
  2. Зазор между отверстием втулок и осью рычагов равен 0,016...0,084 мм, допустимый зазор 0,2 мм, предельный зазор 0,35 мм. Внутренний диаметр втулок после запрессовки в корпус обработайте совместно на размер 12+0,059мм
  3. Зазор между втулкой регулятора и хвостовиком распределительного валика 0,016...0,076 мм, допустимый зазор 0,18 мм, предельный зазор 0,35 мм.
  4. Посадка упорного подшипника на втулку от зазора 0,006 до натяга 0,022 мм, допустимый зазор не более 0,006 мм.
  5. На торцовой поверхности шайбы, напрессованной на втулке, допускается местная выработка глубиной не более 0,15 мм. Натяг между шайбой и втулкой регулятора равен 0,002...0,072 мм, допустимый натяг не менее 0,002 мм.
  6. Зазор между поверхностью отверстия грузика и осью 0,015...0,085 мм, допустимый зазор 0,17 мм, предельный зазор 0,32 мм.
  7. На рабочей поверхности кулачка грузика допускается выработка глубиной не более 0,2 мм.
  8. Грузики по своей массе не должны отличаться друг от друга более чем на 10 г.
  9. Втулка регулятора должна свободно перемещаться по распределительному валику.
  10. Грузики регулятора после затяжки гаек осей должны свободно, под действием собственной массы, качаться на своих осях.

Сборка и установка регулятора Т-170

Сборка регулятора

Пропитайте моторным маслом железографитовые втулки 10 (см. рис. 104) при температуре масла 343 К (70 °С) в течение не менее 20 мин.

Запрессуйте втулки в отверстия корпуса регулятора.

Выступание торцов втулок внутри корпуса должно быть одинаковым, а расстояние между торцами втулок равно (36±0,6) мм.

После запрессовки отверстия втулок обработайте совместно по диаметру оси.

Запрессуйте в отверстие корпуса заглушку 11 заподлицо с поверхностью. Вставьте во втулки корпуса ось 9 рычагов, надев на нее нажимной рычаг 3 регулятора длинным плечом вверх.

Запрессуйте в радиальные отверстия нажимного рычага и оси конический штифт 14, удерживающий рычаг от перемещения по оси. Отверстия в оси и рычаге выполнены совместно, поэтому эти детали применяйте из одного комплекта.

Вставьте винт 1 с навернутыми гайками в отверстие корпуса регулятора и соедините пружиной 2 винт с нажимным рычагом. Установите в расточку корпуса войлочный сальник 7 и закройте его шайбой. Запрессуйте в паз оси шпонку и установите отводной рычаг 8 на ось. Закрепите рычаг на оси стяжным болтом.

Установка регулятора

Установите на осях 6 в шестерне распределительного валика грузики 5 регулятора и зашплинтуйте оси. Установите на смазанный моторным маслом хвостовик распределительного валика втулку 13 регулятора с подшипником и шайбой 12.

Смажьте солидолом прокладку 4, установите корпус регулятора с прокладкой на корпус распределительных шестерен и закрепите его семью болтами с пружинными шайбами.

Соедините наружный рычаг 3 (см. рис. 103) тягой 4 с рычагом дроссельной заслонки карбюратора.

Установите длину тяги 4 так, чтобы при полностью открытой дроссельной заслонке карбюратора, рычаг 3 регулятора находился в крайнем левом положении (соответствующем максимальному сближению грузиков под действием пружины регулятора).

Затем вращением муфточки на тяге, укоротите ее длину на 4...8 мм для того, чтобы при полностью открытой дроссельной заслонке грузики регулятора были немного раздвинуты. Законтрите гайкой тягу.

Регулирование максимальной частоты вращения коленчатого вала

Частота вращения коленчатого вала двигателя регулируется изменением натяжения пружины регулятора путем свинчивания или навинчивания гайки на натяжной винт 2 пружины.

При навинчивании гайки натяжение пружины увеличивается с одновременным увеличением частоты вращения двигателя, при свинчивании гайки — частота вращения уменьшается.

При работе двигателя на холостом ходу (на регуляторе) максимальная частота вращения коленчатого вала должна быть равна 2750...2850 мин-1, при номинальной мощности 13,25 кВт (18 л. с.) — 2300...2500 мин-1.

Работа двигателя с регулятором должна быть устойчивой без перебоев на всех режимах от холостого хода до полной нагрузки.


Регулятор