Запасные части ЧТЗ Запасные части ЧТЗ
Архангельск
Например:
Актобе
Алдан
или
Выбрать автоматически
Актобе
Алдан
Алматы
Алчевск
Архангельск
Астана
Астрахань
Атырау
Баку
Балашиха
Барнаул
Белгород
Бердянск
Бишкек
Владивосток
Владикавказ
Воркута
Воронеж
Горловка
Грозный
Донецк
Екатеринбург
Иваново
Ижевск
Иркутск
Казань
Калининград
Каменск-Уральский
Караганда
Каховка
Кемерово
Киров
Комсомольск-на-Амуре
Костанай
Краснодар
Красноярск
Красный луч
Ленск
Луганск
Магадан
Магнитогорск
Макеевка
Махачкала
Мелитополь
Минск
Мирный (Якутия)
Москва
Мурманск
Нерюнгри
Нижневартовск
Нижний Новгород
Нижний Тагил
Новая каховка
Новокузнецк
Новосибирск
Новый Уренгой
Норильск
Ноябрьск
Нур-Султан
Омск
Оренбург
Ош
Павлодар
Пермь
Петрозаводск
Петропавловск
Петропавловск-Камчатский
Псков
Ростов-на-Дону
Салехард
Самара
Санкт-Петербург
Саратов
Севастополь
Семей
Симферополь
Сочи
Ставрополь
Сургут
Сыктывкар
Тараз
Ташкент
Токмак
Томск
Тында
Тюмень
Ульяновск
Усинск
Усть-Каменогорск
Уфа
Хабаровск
Ханты-Мансийск
Херсон
Челябинск
Чита
Шымкент
Экибастуз
Энергодар
Южно-Сахалинск
Якутск
Ваш город
Архангельск
Войти
Запасные части к тракторам на одном сайте
+7 (932) 303-00-10
+7 (932) 303-00-10
г. Архангельск, Талажское шоссе, д. 4
Пн-Пт: 9:30-18:30 Cб-Вс: Выходной
Отправить заявку


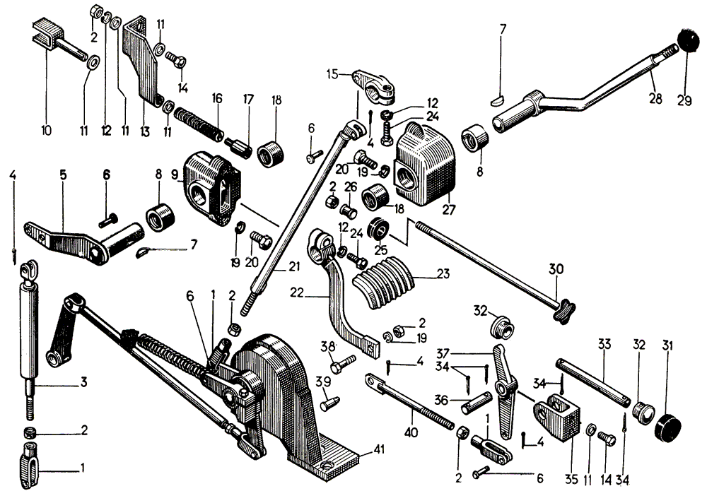
Управление двигателем болотохода на Т-130


/
с НДС 20%
Описание
Управление двигателем 24-74-5СП на Т-130
# Номер запчасти Наименование детали Кол-во в сборке
24-74-187СП Корпус акселератора 1
24-74-188СП Корпус деселератора 1
24-74-189СП Привод бензокраника 1
24-74-190СП Тяга деселератора 1
24-74-191СП Тяга акселератора 1
24-74-198СП Тяга стартера 1
24-74-199СП Кнопка стартера 1
24-74-203СП Корпус акселератора 1
24-74-204СП Корпус деселератора 1
1 06616 Вилка 1
2 Гайка М8.6.019 4
3 24-74-195СП Тяга 1
4 Шплинт 2×14 6
5 24-74-193СП Рычаг 1
6 06465 Валик с головкой 5
7 34126 Шпонка 1
8 24-74-249 Втулка 1
9 24-74-251 Корпус 1
10 24-74-206СП Вилка 1
11 31386 Шайба 4
12 Шайба 8Т 65Г 09 5
13 50-74-11 Кронштейн 1
14 Болт М8×20.58.019 4
15 24-74-229 Рычаг 1
16 700-38-2577 Пружина 1
17 24-74-246 Муфта 1
18 24-74-248 Втулка 1
19 Шайба 10ОТ 65Г 09 4
20 Болт М10×20.58.019 4
21 24-74-194СП Тяга 1
22 24-74-197СП Рычаг педали 1
23 24-74-220 Педаль деселератора 1
24 Болт М8×25.58.019 1
25 700-40-4995-1 Втулка 1
26 24-74-236 Втулка 1
27 24-74-250 Корпус 1
28 50-74-114СП Рычаг 1
29 13310СП Рукоятка 1
30 24-74-200СП Ручка бензокраника 1
31 700-40-5228 Накладка 1
32 24-74-232 Упор 1
33 24-74-231 Шток 1
34 Шплинт 3,2×32 3
35 24-74-234 Кронштейн 1
36 24-74-235 Ось 1
37 24-74-247 Рычаг 1
38 2848 Болт 1
39 02226 Палец 1
40 24-74-205СП Тяга 1
41 16-74-100СП Установка акселератора 1
Управление двигателем болотохода