Запасные части ЧТЗ Запасные части ЧТЗ
Архангельск
Например:
Актобе
Алдан
или
Выбрать автоматически
Актобе
Алдан
Алматы
Алчевск
Архангельск
Астана
Астрахань
Атырау
Баку
Балашиха
Барнаул
Белгород
Бердянск
Бишкек
Владивосток
Владикавказ
Воркута
Воронеж
Горловка
Грозный
Донецк
Екатеринбург
Иваново
Ижевск
Иркутск
Казань
Калининград
Каменск-Уральский
Караганда
Каховка
Кемерово
Киров
Комсомольск-на-Амуре
Костанай
Краснодар
Красноярск
Красный луч
Ленск
Луганск
Магадан
Магнитогорск
Макеевка
Махачкала
Мелитополь
Минск
Мирный (Якутия)
Москва
Мурманск
Нерюнгри
Нижневартовск
Нижний Новгород
Нижний Тагил
Новая каховка
Новокузнецк
Новосибирск
Новый Уренгой
Норильск
Ноябрьск
Нур-Султан
Омск
Оренбург
Ош
Павлодар
Пермь
Петрозаводск
Петропавловск
Петропавловск-Камчатский
Псков
Ростов-на-Дону
Салехард
Самара
Санкт-Петербург
Саратов
Севастополь
Семей
Симферополь
Сочи
Ставрополь
Сургут
Сыктывкар
Тараз
Ташкент
Токмак
Томск
Тында
Тюмень
Ульяновск
Усинск
Усть-Каменогорск
Уфа
Хабаровск
Ханты-Мансийск
Херсон
Челябинск
Чита
Шымкент
Экибастуз
Энергодар
Южно-Сахалинск
Якутск
Ваш город
Архангельск
Войти
Запасные части к тракторам на одном сайте
+7 (932) 303-00-10
+7 (932) 303-00-10
г. Архангельск, Талажское шоссе, д. 4
Пн-Пт: 9:30-18:30 Cб-Вс: Выходной
Отправить заявку


Сервомеханизм муфты сцепления на Т-130


/
с НДС 20%
Описание
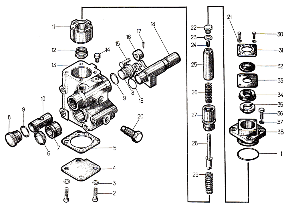
Сервомеханизм 24-15-118СП на Т-130
# Номер запчасти Наименование детали Кол-во в сборке
24-15-102СП Корпус 1
24-15-114СП Клапан 1
24-15-115СП Поршень 1
1 Кольцо У65×60-2 1
2 Болт M10×20.58.019 4
3 40912 Кольцо 4
4 24-15-14 Крышка 1
5 700-40-3231 Прокладка 1
6 0295 Заглушка 1
7 24-15-114 Втулка 1
8 18-17-104 Пробка 2
9 46764 Кольцо 2
10 35-15-13 Золотник 1
11 24-15-79 Поршень 1
12 24-15-80 Пята 1
13 24-15-1 Корпус 1
14 375 Пробка КГ ⅛” 1
15 17317 Палец 1
16 24-15-11 Ролик 1
17 Шплинт 3,2×22 1
18 24-15-83 Вал 1
19 Кольцо Н1-35×28-2 1
20 700-41-3306 Болт полый 1
21 Шайба 6Т 65Г 09 4
22 24-15-77 Пробка 1
23 50-15-37 Шток 1
23 700-40-260-09 Прокладка 3
24 50-15-39 Стопор 1
26 700-38-2461 Пружина 1
27 24-15-75 Клапан 1
28 50-15-38 Стержень 1
29 700-38-2462 Пружина 1
30 Болт М6×16.58.019 4
31 21-15-126 Крышка 1
32 700-40-4032-1 Воротник 1
33 21-15-127 Пластина 1
33 50-15-33 Крышка 1
34 Манжета 28×48 1
35 24-15-98 Манжетодержатель 1
36 Болт M10×30.58.019 4
37 Шайба 10ОТ 65Г 09 4
Сервомеханизм муфты сцепления