Запасные части ЧТЗ Запасные части ЧТЗ
Архангельск
Например:
Актобе
Алдан
или
Выбрать автоматически
Актобе
Алдан
Алматы
Алчевск
Архангельск
Астана
Астрахань
Атырау
Баку
Балашиха
Барнаул
Белгород
Бердянск
Бишкек
Владивосток
Владикавказ
Воркута
Воронеж
Горловка
Грозный
Донецк
Екатеринбург
Иваново
Ижевск
Иркутск
Казань
Калининград
Каменск-Уральский
Караганда
Каховка
Кемерово
Киров
Комсомольск-на-Амуре
Костанай
Краснодар
Красноярск
Красный луч
Ленск
Луганск
Магадан
Магнитогорск
Макеевка
Махачкала
Мелитополь
Минск
Мирный (Якутия)
Москва
Мурманск
Нерюнгри
Нижневартовск
Нижний Новгород
Нижний Тагил
Новая каховка
Новокузнецк
Новосибирск
Новый Уренгой
Норильск
Ноябрьск
Нур-Султан
Омск
Оренбург
Ош
Павлодар
Пермь
Петрозаводск
Петропавловск
Петропавловск-Камчатский
Псков
Ростов-на-Дону
Салехард
Самара
Санкт-Петербург
Саратов
Севастополь
Семей
Симферополь
Сочи
Ставрополь
Сургут
Сыктывкар
Тараз
Ташкент
Токмак
Томск
Тында
Тюмень
Ульяновск
Усинск
Усть-Каменогорск
Уфа
Хабаровск
Ханты-Мансийск
Херсон
Челябинск
Чита
Шымкент
Экибастуз
Энергодар
Южно-Сахалинск
Якутск
Ваш город
Архангельск
Войти
Запасные части к тракторам на одном сайте
+7 (932) 303-00-10
+7 (932) 303-00-10
г. Архангельск, Талажское шоссе, д. 4
Пн-Пт: 9:30-18:30 Cб-Вс: Выходной
Отправить заявку


Переключение передач для болотоходов на Т-130


/
с НДС 20%
Описание
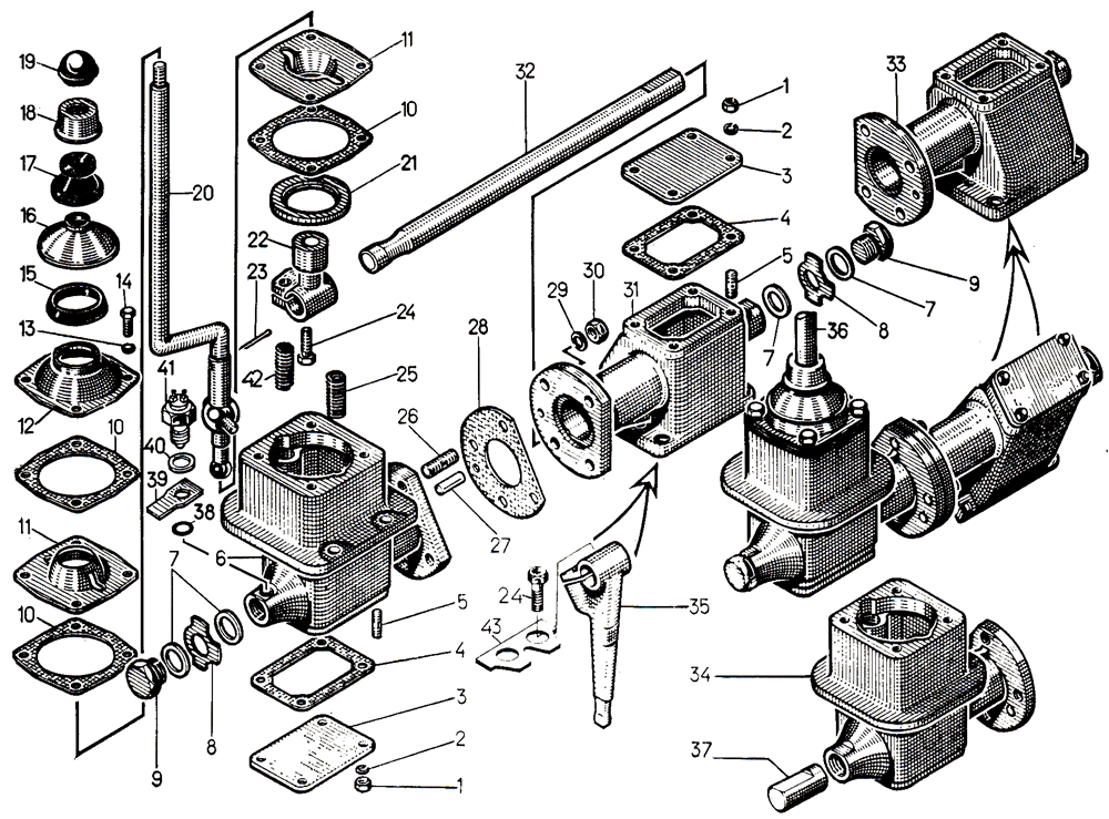
Механизм переключения передач для болотоходных тракторов Б-130 20-12-131СП — левый, 20-12-132СП — правый
# Номер запчасти Наименование детали Кол-во в сборке
20-12-129СП Проставка правая 1
20-12-130СП Проставка левая 1
1 Гайка М8×1.6.019 8
2 Шайба 8Т 65Г 09 8
3 18-12-246 Крышка 2
4 700-40-3072 Прокладка 2
5 Шпилька 8
6 20-12-80 Проставка передняя правая 1
7 40588 Прокладка 4
8 31368 Шайба 2
9 700-37-2154 Пробка 2
10 40819 Прокладка 3
11 13317 Фланец шаровой 2
12 13318 Фланец шаровой 1
13 Шайба 10ОТ 65Г 09 4
14 Болт М10×30.58.019 4
15 40820 Кольцо 1
16 13319 Крышка 1
17 4661 Колпачок 1
18 13591 Крышка 1
19 13310СП Рукоятка 1
20 18-12-161СП Рычаг правый 1
21 13360 Кольцо 1
22 20-12-91 Хвостовик 1
23 Шплинт 4×32 1
24 700-28-2336 Болт 4
25 38325 Пружина 1
26 29310 Шпилька 4
27 32349 Штифт 1
28 700-40-3254 Прокладка 1
29 Шайба 16ОТ 65Г 09 4
30 30246 Гайка 4
31 20-12-85 Проставка задняя правая 1
32 20-12-92 Валик 1
33 20-12-86 Проставка задняя левая 1
34 20-12-84 Проставка передняя левая 1
35 20-12-90 Рычаг 1
36 18-12-162СП Рычаг левый 1
37 20-12-79 Валик 1
38 Кольцо 014-018-25-2-2 1
39 18-12-411 Пластина 1
40 21-12-50 Прокладка 8
41 Включатель ВК-403 1
42 38551 Пружина 1
43 700-31-2542 Пластина стопорная 2
Переключение передач для болотоходов