Запасные части ЧТЗ Запасные части ЧТЗ
Архангельск
Например:
Актобе
Алдан
или
Выбрать автоматически
Актобе
Алдан
Алматы
Алчевск
Архангельск
Астана
Астрахань
Атырау
Баку
Балашиха
Барнаул
Белгород
Бердянск
Бишкек
Владивосток
Владикавказ
Воркута
Воронеж
Горловка
Грозный
Донецк
Екатеринбург
Иваново
Ижевск
Иркутск
Казань
Калининград
Каменск-Уральский
Караганда
Каховка
Кемерово
Киров
Комсомольск-на-Амуре
Костанай
Краснодар
Красноярск
Красный луч
Ленск
Луганск
Магадан
Магнитогорск
Макеевка
Махачкала
Мелитополь
Минск
Мирный (Якутия)
Москва
Мурманск
Нерюнгри
Нижневартовск
Нижний Новгород
Нижний Тагил
Новая каховка
Новокузнецк
Новосибирск
Новый Уренгой
Норильск
Ноябрьск
Нур-Султан
Омск
Оренбург
Ош
Павлодар
Пермь
Петрозаводск
Петропавловск
Петропавловск-Камчатский
Псков
Ростов-на-Дону
Салехард
Самара
Санкт-Петербург
Саратов
Севастополь
Семей
Симферополь
Сочи
Ставрополь
Сургут
Сыктывкар
Тараз
Ташкент
Токмак
Томск
Тында
Тюмень
Ульяновск
Усинск
Усть-Каменогорск
Уфа
Хабаровск
Ханты-Мансийск
Херсон
Челябинск
Чита
Шымкент
Экибастуз
Энергодар
Южно-Сахалинск
Якутск
Ваш город
Архангельск
Войти
Запасные части к тракторам на одном сайте
+7 (932) 303-00-10
+7 (932) 303-00-10
г. Архангельск, Талажское шоссе, д. 4
Пн-Пт: 9:30-18:30 Cб-Вс: Выходной
Отправить заявку


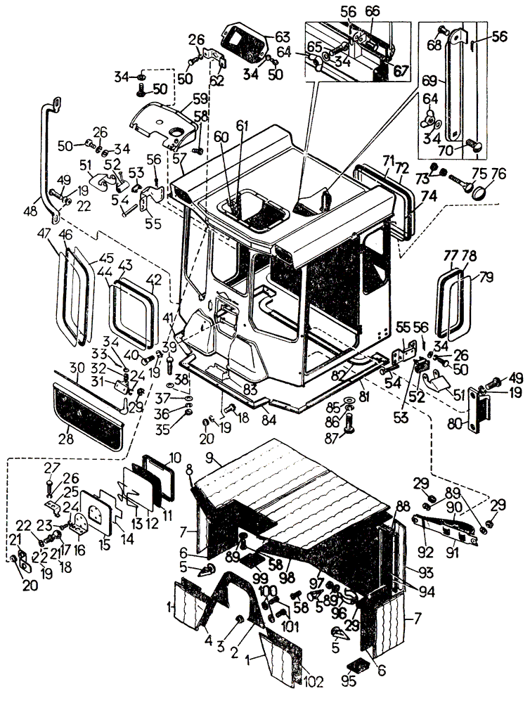
Кабина 24-59-5СП на Т-130


/
с НДС 20%
Описание
Кабина 24-59-5СП на Т-130
# Номер запчасти Наименование детали Кол-во в сборке
21-59-112СП Козырек светозащитный 1
21-59-114СП Кронштейн 1
24-59-115СП Зеркало 1
50-59-149СП Кронштейн 1
50-59-183СП Защелка 2
1 18-59-316СП Уплотнение 2
2 50-59-142СП Панель 1
3 Гайка М4.6.019 4
4 18-59-239СП Панель 1
5 700-42-2300 Пистон 26
6 18-59-240СП Панель 2
7 18-59-318СП Уплотнение 2
8 50-59-145СП Панель 1
9 50-59-182СП Уплотнение 1
10 24-59-153 Ободок 1
11 24-59-148 Зеркало 1
12 24-59-152 Прокладка 1
13 24-59-155 Пружина 1
14 24-59-150 Пластина 1
15 24-59-149 Корпус 1
16 24-59-131СП Кронштейн 1
17 24-59-156 Опора 1
18 Болт M10×25.58.019 3
19 Шайба 10ОТ 65Г 09 12
20 Гайка М10.6.019 3
21 50-59-171 Кронштейн 1
22 31308 Шайба 4
23 Винт В1 M6-8g×12.58.019 4
24 Шайба 6Т 65Г 09 4
25 24-59-154 Прижим 1
26 Шайба 8Т 65Г 09 16
27 Болт М8×35.58.019 1
28 21-59-115СП Козырек 1
29 Гайка М6.6.019 5
30 21-59-113СП Ось 1
31 21-59-77 Кронштейн 1
32 700-38-2360 Пружина 1
33 Шплинт 2×14-019 1
34 31386 Шайба 22
35 3010 Гайка 2
36 Шайба 12ОТ 65Г 09 2
37 31372 Шайба 4
38 31325 Шайба 2
39 2826 Болт 2
40 Болт М10×20.58.019 2
41 700-40-3967СП Прокладка 1
42 24-59-198 Стекло 1
43 24-59-222-04 Уплотнитель 1
44 24-59-232 Кант 1
45 24-59-197 Стекло 2
46 24-59-222-03 Уплотнитель 2
47 24-59-231 Кант 2
48 50-59-147 Поручень 2
49 Болт М10×30.58.019 8
50 Болт М8×25.58.019 19
51 24-59-397 Защелка 2
52 700-38-2486 Пружина 2
53 591044 Амортизатор 2
54 700-47-96 Валик 2
55 50-59-156 Корпус 2
56 Шплинт 2,5×14 3
57 24-59-180СП Каркас 1
58 700-35-2007 Шуруп 26
59 50-59-160СП Кожух 1
60 31453 Шайба 4
61 Винт В1 M5-8g×16.58.019 5
62 24-59-204СП Планка 2
63 700-42-2299 Кожух 2
64 05573-1 Гайка 3
65 700-28-2121 Болт 1
66 06465 Валик 1
67 700-40-3915;
700-40-7089
Уплотнитель 1
68 591127 Валик 2
69 24-59-176 Кулиса 2
70 Болт М8×25.58.019 2
71 24-59-222-01 Уплотнитель 2
72 24-59-229 Кант 2
73 Гайка М12.6.019 2
74 24-59-195 Стекло 2
75 50-59-117СП Упор 2
76 700-40-5228 Накладка 2
77 24-59-196 Стекло 2
78 24-59-222-02 Уплотнитель 2
79 24-59-230 Кант 2
80 24-59-447 Защелка 2
81 700-40-3966СП Прокладка 1
82 700-40-3965СП Прокладка 1
83 24-59-488 Кронштейн 1
84 700-40-5227СП Прокладка 1
85 31477 Шайба О
86 Шайба 16ОТ 65Г 09 8
87 2831 Болт 8
88 50-59-143 Планка 2
89 31358 Шайба 5
90 700-40-6814 Ремень 1
91 50-59-107 Кронштейн 1
92 50-59-154 Шлевка 1
93 18-59-319СП Уплотнение 2
94 24-59-407 Уголок 4
95 50-59-190СП Коврик 1
96 50-59-110 Клипса 1
97 50-59-106СП Панель 1
98 50-59-144СП Панель 1
99 50-59-189СП Коврик 1
100 700-31-2353 Шайба 4
101 Винт В1 M4-8g×25.58.019 4
102 18-59-238СП Панель 1
Кабина 24-59-5СП