Запасные части ЧТЗ Запасные части ЧТЗ
Архангельск
Например:
Актобе
Алдан
или
Выбрать автоматически
Актобе
Алдан
Алматы
Алчевск
Архангельск
Астана
Астрахань
Атырау
Баку
Балашиха
Барнаул
Белгород
Бердянск
Бишкек
Владивосток
Владикавказ
Воркута
Воронеж
Горловка
Грозный
Донецк
Екатеринбург
Иваново
Ижевск
Иркутск
Казань
Калининград
Каменск-Уральский
Караганда
Каховка
Кемерово
Киров
Комсомольск-на-Амуре
Костанай
Краснодар
Красноярск
Красный луч
Ленск
Луганск
Магадан
Магнитогорск
Макеевка
Махачкала
Мелитополь
Минск
Мирный (Якутия)
Москва
Мурманск
Нерюнгри
Нижневартовск
Нижний Новгород
Нижний Тагил
Новая каховка
Новокузнецк
Новосибирск
Новый Уренгой
Норильск
Ноябрьск
Нур-Султан
Омск
Оренбург
Ош
Павлодар
Пермь
Петрозаводск
Петропавловск
Петропавловск-Камчатский
Псков
Ростов-на-Дону
Салехард
Самара
Санкт-Петербург
Саратов
Севастополь
Семей
Симферополь
Сочи
Ставрополь
Сургут
Сыктывкар
Тараз
Ташкент
Токмак
Томск
Тында
Тюмень
Ульяновск
Усинск
Усть-Каменогорск
Уфа
Хабаровск
Ханты-Мансийск
Херсон
Челябинск
Чита
Шымкент
Экибастуз
Энергодар
Южно-Сахалинск
Якутск
Ваш город
Архангельск
Войти
Запасные части к тракторам на одном сайте
+7 (932) 303-00-10
+7 (932) 303-00-10
г. Архангельск, Талажское шоссе, д. 4
Пн-Пт: 9:30-18:30 Cб-Вс: Выходной
Отправить заявку


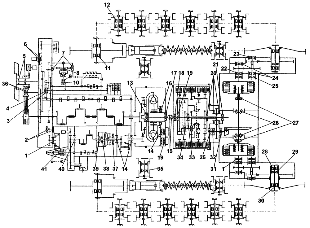
Схема расположения подшипников на тракторе с гидромеханической трансмиссией на Т10М / Б10М


/
с НДС 20%
Описание
Схема расположения подшипников на тракторе Т10М с гидромеханической трансмиссией
Позиция на рис.Обозначение подшипникаТип подшипникаРазмеры, мм Масса, кг
1118Шариковый радиальный однорядный90x140x241,2
2407Шариковый радиальный однорядный35x100x250,923
3307Шариковый радиальный однорядный35x80x210,434
4308Шариковый радиальный однорядный40x90x230,635
5306Шариковый радиальный однорядный30x72x190,339
6304AШариковый радиальный однорядный20x52x150,148
7941/15Роликовый игольчатый с одним наружным штампованным кольцом15x20x120,011
88205Шариковый радиальный одинарный25x47x150,111
98104Шариковый упорный однорядный20x35x100,039
10203Шариковый радиальный однорядный17x40x120,065
112614K2
272614КМУ
Роликовый радиальный с короткими цилиндрическими роликами70x150x513,98
12954712К8Роликовый радиальный с короткими цилиндрическими роликами60x120x432,62
13176309Е
176309
Шариковый радиальноупорный однорядный45x100x250,903
14208
208К
Шариковый радиальный однорядный40x80x180,359
15804707КЗС10Роликовый, игольчатый, карданный33,65x50x36,90,24
1632121Л
21-32121Л
Роликовый радиальный с короткими цилиндрическими роликами105x160x262,05
17176218БЗ
176218
Шариковый радиальноупорный однорядный90x160x302,68
18214Шариковый радиальный однорядный70x125x241,08
19114Шариковый радиальный однорядный70x110x200,608
201000920Л
56-1000920Л
Шариковый радиальный однорядный100x140x201,02
2112210К1Роликовый радиальный с короткими цилиндрическими роликами50x90x200,538
2270-32315К1МРоликовый радиальный с короткими цилиндрическими роликами75x160x373,543
2370-32417МРоликовый радиальный с короткими цилиндрическими роликами85x210x529,9
2470-32612К1МРоликовый радиальный с короткими цилиндрическими роликами60x130x462,86
25700-39-2302
(213)
Шариковый радиальный однорядный65x120x230,983
267516АРоликовый конический однорядный80x140x35,52,12
2746120
120
Шариковый радиальноупорный однорядный100x150x241,28
2870-2228КМРоликовый радиальный с короткими цилиндрическими роликами140x250x422,28
29228АШариковый радиальный однорядный140x250x429,00
302224КМРоликовый радиальный с короткими цилиндрическими роликами120x215x405,81
31700-39-2303
(2615КМ)
Роликовый радиальный с короткими цилиндрическими роликами75x160x555,1
322313КМРоликовый радиальный с короткими цилиндрическими роликами65x120x232,4
33700-39-2297
(42212КМ)
Роликовый радиальный с короткими цилиндрическими роликами60x110x230,90
34K35x43x35ZW (NNR)Роликовый игольчатый с металлическим сепаратором (производство KML)35x43x350,170
35311Шариковый радиальный однорядный55x120x291,35
36206A;
206K
Шариковый радиальный однорядный30x62x160,207
371000909Шариковый радиальный однорядный45x68x120,121
383K20x34x24,3E
45804
Роликовый радиальный с длинными цилиндрическими роликами20x34x250,066
39211AKШариковый радиальный однорядный55x100x210,746
40210AKШариковый радиальный однорядный50x90x200,476
418103H
8103
Шариковый упорный однорядный17x30x90,027
-941/17Роликовый игольчатый с одним наружным штампованным кольцом17x23x140,016
-942/20Роликовый игольчатый с одним наружным штампованным кольцом20x26x200,028
-943/20Роликовый игольчатый с одним наружным штампованным кольцом20x26x250,035
-943/25Роликовый игольчатый с одним наружным штампованным кольцом25x32x250,048
-ШС 10Шарнирный10x20x9-60,012
Схема расположения подшипников на тракторе с гидромеханической трансмиссией