Запасные части ЧТЗ Запасные части ЧТЗ
Архангельск
Например:
Актобе
Алдан
или
Выбрать автоматически
Актобе
Алдан
Алматы
Алчевск
Архангельск
Астана
Астрахань
Атырау
Баку
Балашиха
Барнаул
Белгород
Бердянск
Бишкек
Владивосток
Владикавказ
Воркута
Воронеж
Горловка
Грозный
Донецк
Екатеринбург
Иваново
Ижевск
Иркутск
Казань
Калининград
Каменск-Уральский
Караганда
Каховка
Кемерово
Киров
Комсомольск-на-Амуре
Костанай
Краснодар
Красноярск
Красный луч
Ленск
Луганск
Магадан
Магнитогорск
Макеевка
Махачкала
Мелитополь
Минск
Мирный (Якутия)
Москва
Мурманск
Нерюнгри
Нижневартовск
Нижний Новгород
Нижний Тагил
Новая каховка
Новокузнецк
Новосибирск
Новый Уренгой
Норильск
Ноябрьск
Нур-Султан
Омск
Оренбург
Ош
Павлодар
Пермь
Петрозаводск
Петропавловск
Петропавловск-Камчатский
Псков
Ростов-на-Дону
Салехард
Самара
Санкт-Петербург
Саратов
Севастополь
Семей
Симферополь
Сочи
Ставрополь
Сургут
Сыктывкар
Тараз
Ташкент
Токмак
Томск
Тында
Тюмень
Ульяновск
Усинск
Усть-Каменогорск
Уфа
Хабаровск
Ханты-Мансийск
Херсон
Челябинск
Чита
Шымкент
Экибастуз
Энергодар
Южно-Сахалинск
Якутск
Ваш город
Архангельск
Войти
Запасные части к тракторам на одном сайте
+7 (932) 303-00-10
+7 (932) 303-00-10
г. Архангельск, Талажское шоссе, д. 4
Пн-Пт: 9:30-18:30 Cб-Вс: Выходной
Отправить заявку


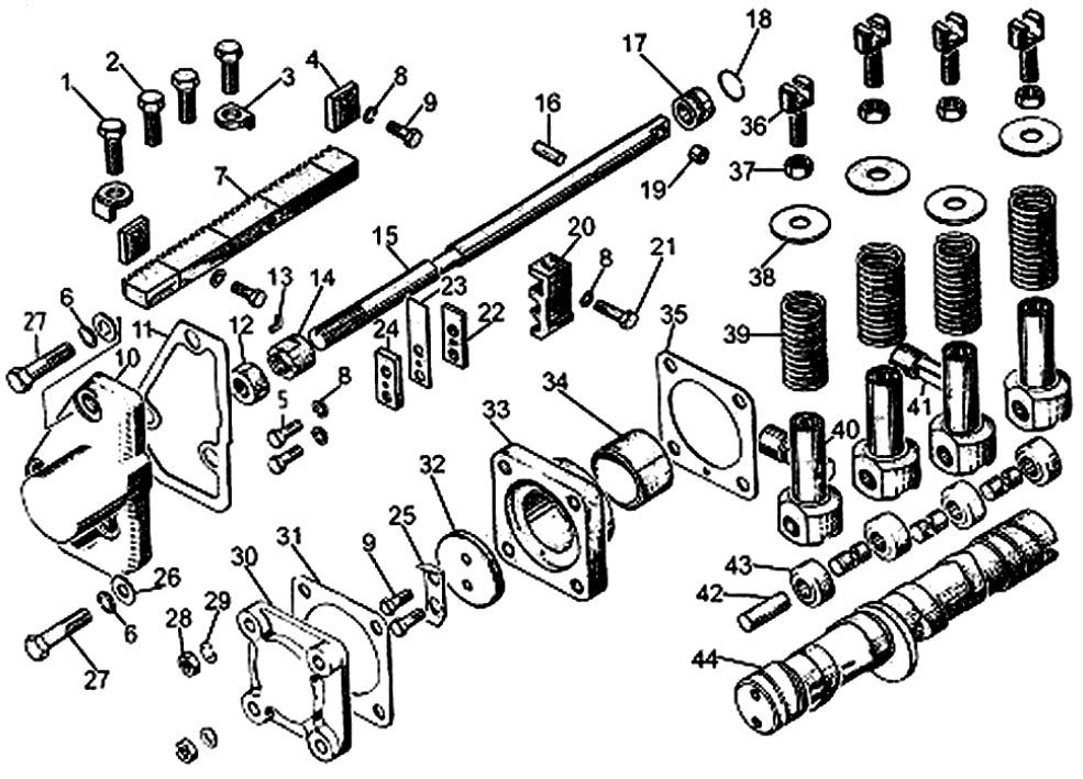
Механизм привода плунжеров топливного насоса на Т10М / Б10М


/
с НДС 20%
Описание
Механизм привода плунжеров топливного насоса на Т10М
# Номер запчасти Наименование детали Кол-во в сборке
1 - Болт М10х25.58.019 8
2 28475 Болт 2
3 67224-1 Угольник 10
4 67237 Пластина 2
5 - Болт М6х20.58.019 2
6 - Шайба 10 ОТ 65Г 09 3
7 67234 Рейка 1
8 - Шайба 6Т 65Г 09 5
9 - Болт М6х16.58.019 4
10 14-67-2-2 Крышка корректора 1
11 40741-1 Прокладка 1
12 30202 Гайка 1
13 67127 Угольник стопорный 1
14 67255 Муфта 1
15 51-67-88 Тяга рейки 1
16 700-32-2194 Штифт 1
17 67315 Кольцо 1
18 700-58-2512 Кольцо 1
19 67252-1 Втулка 1
20 67235 Поводок рейки 1
21 67236 Болт 1
22 51-67-95 Пластина корректора 1
23 67239 Пружина корректора 1
24 51-67-82 Накладка 1
25 3185 Пластина стопорная 1
26 31437 Шайба 3
27 28474 Болт 2
28 - Гайка М8х1.6.019 4
29 - Шайба 8Т 65Г 09 4
30 67243 Крышка подшипника 1
31 40742 Прокладка 1
32 67233 Шайба 1
33 67207 Корпус подшипника 1
34 67208 Втулка 1
35 40743 Прокладка 1
36 67230 Хвостовик 4
37 3083 Гайка 4
38 3197
3197-02
Шайба 4
39 38305 Пружина 4
40 67226 1 Толкатель 4
41 67229 Палец 2
42 67228 1 Ось ролика 4
43 67227 1 Ролик 4
44 51-67-23 Вал кулачковый 1
1 Заказывать комплект 67225СП Толкатель.
Механизм привода плунжеров топливного насоса