Запасные части ЧТЗ Запасные части ЧТЗ
Архангельск
Например:
Актобе
Алдан
или
Выбрать автоматически
Актобе
Алдан
Алматы
Алчевск
Архангельск
Астана
Астрахань
Атырау
Баку
Балашиха
Барнаул
Белгород
Бердянск
Бишкек
Владивосток
Владикавказ
Воркута
Воронеж
Горловка
Грозный
Донецк
Екатеринбург
Иваново
Ижевск
Иркутск
Казань
Калининград
Каменск-Уральский
Караганда
Каховка
Кемерово
Киров
Комсомольск-на-Амуре
Костанай
Краснодар
Красноярск
Красный луч
Ленск
Луганск
Магадан
Магнитогорск
Макеевка
Махачкала
Мелитополь
Минск
Мирный (Якутия)
Москва
Мурманск
Нерюнгри
Нижневартовск
Нижний Новгород
Нижний Тагил
Новая каховка
Новокузнецк
Новосибирск
Новый Уренгой
Норильск
Ноябрьск
Нур-Султан
Омск
Оренбург
Ош
Павлодар
Пермь
Петрозаводск
Петропавловск
Петропавловск-Камчатский
Псков
Ростов-на-Дону
Салехард
Самара
Санкт-Петербург
Саратов
Севастополь
Семей
Симферополь
Сочи
Ставрополь
Сургут
Сыктывкар
Тараз
Ташкент
Токмак
Томск
Тында
Тюмень
Ульяновск
Усинск
Усть-Каменогорск
Уфа
Хабаровск
Ханты-Мансийск
Херсон
Челябинск
Чита
Шымкент
Экибастуз
Энергодар
Южно-Сахалинск
Якутск
Ваш город
Архангельск
Войти
Запасные части к тракторам на одном сайте
+7 (932) 303-00-10
+7 (932) 303-00-10
г. Архангельск, Талажское шоссе, д. 4
Пн-Пт: 9:30-18:30 Cб-Вс: Выходной
Отправить заявку


Сервомеханизм муфты сцепления на Т10М / Б10М


/
с НДС 20%
Описание
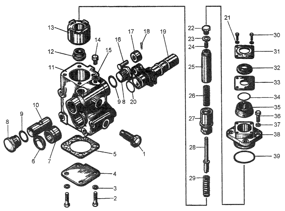
Сервомеханизм муфты сцепления Т10М
#Номер запчастиНаименование деталиКол-во в сборке
-50-15-118СП 1Сервомеханизм муфты сцепления1
1700-41-3306Болт1
2-Болт М10×20.58.0194
340912Кольцо4
424-15-14Крышка1
5700-40-7206Прокладка1
60295Пробка1
750-15-62Втулка1
818-17-104Пробка2
946764Кольцо2
1035-15-13Золотник1
1150-15-64Корпус1
1224-15-80Пята1
1350-15-113Поршень1
1428458Болт1
1540920Кольцо1
1617317Палец1
1724-15-11Ролик1
18-Шплинт 3,2×22.0191
1950-15-63Вал1
20700-40-7374Кольцо1
21-Шайба 6Т 65Г 094
2224-15-77Пробка1
2351-06-8Кольцо2
2450-15-39Стопор1
2550-15-37Шток1
26700-38-2461Пружина1
2750-15-114Клапан1
2850-15-38Стержень1
29700-38-2462Пружина1
30-Болт М6×16.58.0194
3121-15-126Крышка1
32700-40-4032-1Воротник1
3321-15-127Пластина1
3446588Кольцо1
35700-40-9196
-
Манжета
Манжета 3-48×28-6
1
36-Болт М10×30.58.0194
37-Шайба 10 ОТ 65Г 094
3850-15-33Крышка1
39700-40-97375Кольцо1
1 Заказывать комплект 50-15-124СП Сервомеханизм.
Сервомеханизм муфты сцепления