Запасные части ЧТЗ Запасные части ЧТЗ
Архангельск
Например:
Актобе
Алдан
или
Выбрать автоматически
Актобе
Алдан
Алматы
Алчевск
Архангельск
Астана
Астрахань
Атырау
Баку
Балашиха
Барнаул
Белгород
Бердянск
Бишкек
Владивосток
Владикавказ
Воркута
Воронеж
Горловка
Грозный
Донецк
Екатеринбург
Иваново
Ижевск
Иркутск
Казань
Калининград
Каменск-Уральский
Караганда
Каховка
Кемерово
Киров
Комсомольск-на-Амуре
Костанай
Краснодар
Красноярск
Красный луч
Ленск
Луганск
Магадан
Магнитогорск
Макеевка
Махачкала
Мелитополь
Минск
Мирный (Якутия)
Москва
Мурманск
Нерюнгри
Нижневартовск
Нижний Новгород
Нижний Тагил
Новая каховка
Новокузнецк
Новосибирск
Новый Уренгой
Норильск
Ноябрьск
Нур-Султан
Омск
Оренбург
Ош
Павлодар
Пермь
Петрозаводск
Петропавловск
Петропавловск-Камчатский
Псков
Ростов-на-Дону
Салехард
Самара
Санкт-Петербург
Саратов
Севастополь
Семей
Симферополь
Сочи
Ставрополь
Сургут
Сыктывкар
Тараз
Ташкент
Токмак
Томск
Тында
Тюмень
Ульяновск
Усинск
Усть-Каменогорск
Уфа
Хабаровск
Ханты-Мансийск
Херсон
Челябинск
Чита
Шымкент
Экибастуз
Энергодар
Южно-Сахалинск
Якутск
Ваш город
Архангельск
Войти
Запасные части к тракторам на одном сайте
+7 (932) 303-00-10
+7 (932) 303-00-10
г. Архангельск, Талажское шоссе, д. 4
Пн-Пт: 9:30-18:30 Cб-Вс: Выходной
Отправить заявку


Рама на ТР20 и ТР12


/
с НДС 20%
Описание
Рама ТР20 и ТР12
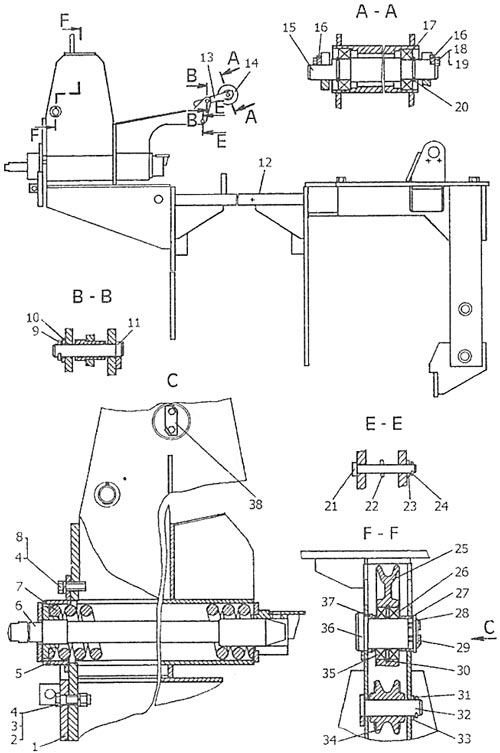
Поз.ОбозначениеНаименованиеКол-во
171-53-136Накладка1
2Болт 285824
3Гайка 30154
4Шайба 20 ОТ 65Г 097
571-53-111 СПКрышка1
671-53-112СПШток1
7Пружина 700-38-21531
8M20x50.88.35.019Болт 3
94x25Шплинт 1
1031477-01Шайба1
1171-53-339-01Ось1
1271-53-106СП; 71-53-109СПРама1
1371-53-131СПРычаг1
1471-53-132СПРолик1
1571-53-314Ось1
1671-53-315Планка2
17180205Подшипник 2
18М8х16.58.019Болт 4
198Т 65Г 05Шайба 4
20700-58-2332Кольцо2
21700-47-91Валик с головкой1
22700-38-2894Пружина1
2331308-1Шайба1
242,5x25Шплинт 1
2571-53-61; 71-53-62Блок1
2680218Подшипник 2
2771-53-341Втулка1
2871-53-344Шайба упорная1
29М12-6gх30.58.019Болт 2
30700-58-2558Кольцо1
316,3x63Шплинт 1
3271-53-339Ось1
33700-31-2042Шайба1
3471-53-338Блок1
3571-53-65Кольцо1
3671-53-340Ось1
3771-53-342Втулка1
3871-53-343Планка1
Рама